PRODUCT

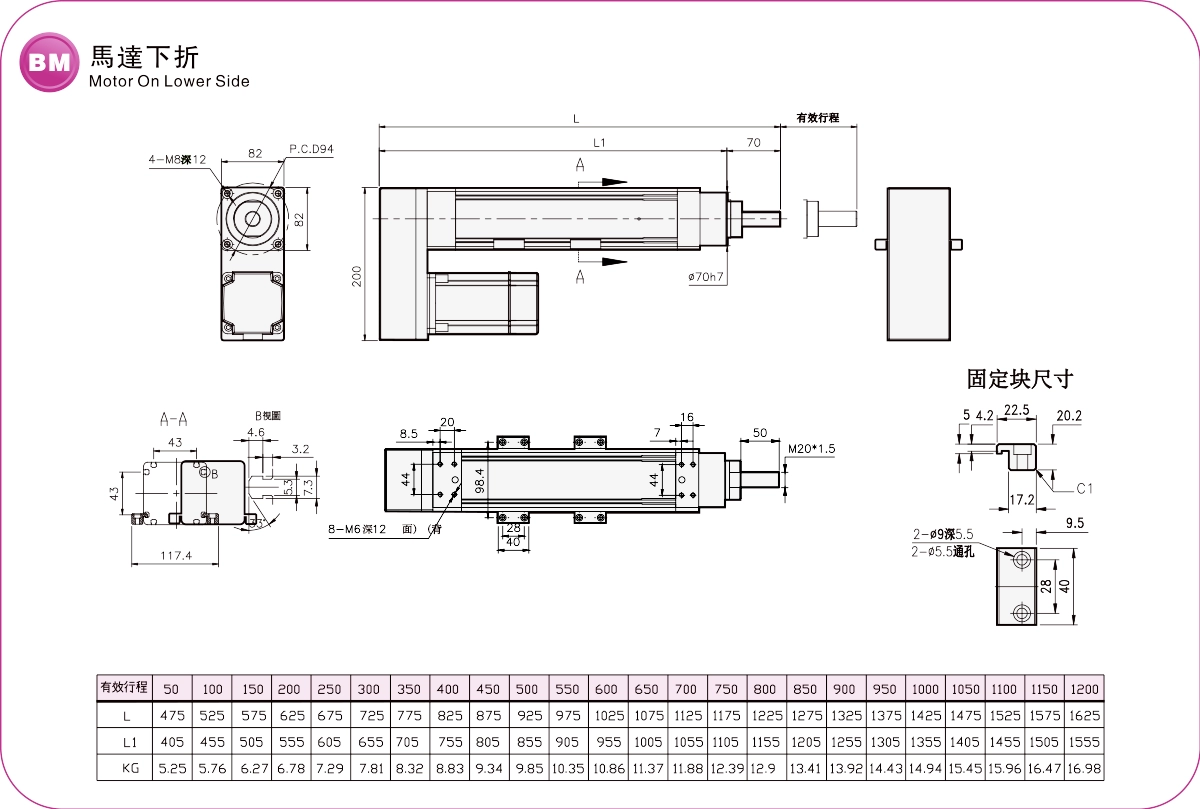
Repeatability:±0.01mm
Horizontal Load:200kg
Vertical Load:65kg
Maximum Speed:1250mm/s
Travel Range:50-1200mm
Set the motor acceleration and deceleration to0.2seconds.
The standard specifications cannot be applied for the use of inverted cranes. If you have any requirements, please contact us by phone or leave a message online.
Delivery time: 7-10 days




| Spec | Repeatability(mm) | ±0.01 | |||
| Lead (mm) | 5 | 10 | 25 | ||
| Maximum Speed (mm/s) | 250 | 500 | 1250 | ||
| Maximum Payload | Horizontal (kg) | 200 | 180 | 138 | |
| Vertical (kg) | 65 | 55 | 25 | ||
| Rated Thrust (N) | 2520 | 1260 | 504 | ||
| Stroke Pitch (mm) | 50-1200mm/50Pitch | ||||
| AC Servo Motor Output (w) | 750W | ||||
| Parts | Ball Screw Ø(mm) | C7Ø25 | |||
| Coupling (mm) | 17X19 | ||||
| Home Sensor | Outside | CS-6T | |||


| Use Where | Driven Mode | Model Specification | Moter Output(w) | Width(mm) | Repeatability(mm) | Ball Screw Spec | Maximum Payload(kg) | Maximum speed (mm/s)*1 | ||
|---|---|---|---|---|---|---|---|---|---|---|
| Outer Diameter(mm) | Lead(mm) | Horizontal | Vertical | |||||||
| Standard Environment | Ball Screw | EC 50 | 100W | 52 | ±0.01 | 12 | 5 | 30 | 12 | 250 |
| 10 | 15 | 5 | 500 | |||||||
| EC 50L | 100W | 52 | ±0.01 | 12 | 5 | 50 | 15 | 250 | ||
| 10 | 30 | 8 | 500 | |||||||
| EC 50T | 100W | 52 | ±0.01 | 12 | 5 | 50 | 15 | 250 | ||
| 10 | 30 | 8 | 500 | |||||||
| EC 65 | 400W | 65 | ±0.01 | 16 | 5 | 110 | 33 | 250 | ||
| 10 | 88 | 22 | 500 | |||||||
| 16 | 48 | 10 | 800 | |||||||
| 20 | 40 | 8 | 100 | |||||||
| EC 65L | 400W | 65 | ±0.01 | 16 | 5 | 110 | 33 | 250 | ||
| 10 | 88 | 22 | 500 | |||||||
| 16 | 48 | 10 | 800 | |||||||
| 20 | 40 | 8 | 100 | |||||||
| EC 65T | 400W | 65 | ±0.01 | 16 | 5 | 110 | 33 | 250 | ||
| 10 | 88 | 22 | 500 | |||||||
| 16 | 48 | 10 | 800 | |||||||
| 20 | 40 | 8 | 100 | |||||||
| EC 80 | 700W | 80 | ±0.01 | 25 | 5 | 200 | 65 | 250 | ||
| 10 | 180 | 55 | 500 | |||||||
| 25 | 138 | 25 | 1000 | |||||||
| EC 80T | 700W | 80 | ±0.01 | 25 | 5 | 200 | 65 | 250 | ||
| 10 | 180 | 55 | 500 | |||||||
| 25 | 138 | 25 | 1000 | |||||||






